Danh mục Âm thanh
Danh mục Điện máy
2.780.000 đ
Khuyến mãi 50% chỉ còn 1,390,000đ
15.800.000 đ
Giảm Sốc 40% Chỉ Còn 9.480.000đ
4.980.000 đ
khuyến mãi tết Tặng Dac Kiwi Trị Giá 600.000
13.560.000 đ
Khuyến Mãi tết giảm 50% Chỉ Còn 6.780.000đ
13.800.000 đ
Khuyến Mãi Tết Giảm 4,000,000 còn 9.800.000
8.400.000 đ
tặng Micro Không Dây JBK 02 trị giá 1.400.000đ.
6.200.000 đ
Tặng Micro Không Dây JBK 02 Giá 1.400.000đ
Đăng lúc: 17-11-2025 03:11:31 PM - Đã xem: 179
Khám phá cấu tạo bên trong của vang cơ. Chuyên gia phân tích mainboard, chip DSP, IC PT2399 và khối nguồn. Hiểu rõ linh kiện nào quyết định chất lượng âm thanh.

Với hầu hết người dùng, một chiếc vang cơ chỉ là "mặt tiền" với các núm vặn điều chỉnh Bass, Treble, Echo. Nhưng với tư cách là một chuyên gia kỹ thuật, tôi khẳng định: Giá trị thực sự, chất lượng âm thanh và độ bền của sản phẩm được quyết định hoàn toàn bởi những gì nằm bên dưới lớp vỏ kim loại đó.
Hai chiếc vang cơ có thể trông giống hệt nhau bên ngoài, nhưng một chiếc có thể cho chất âm "sạn", nhiễu, trong khi chiếc kia lại trong vắt, ấm áp. Sự khác biệt đó đến từ cấu tạo bên trong của vang cơ.
Hiểu rõ các linh kiện cốt lõi này không chỉ giúp bạn giải mã tại sao vang cơ lai số có thể chống hú, mà còn giúp bạn trở thành người tiêu dùng thông thái, phân biệt được hàng chất lượng cao và hàng giá rẻ.
Bài viết này sẽ "mổ xẻ" toàn bộ linh kiện bên trong một chiếc vang cơ. Nếu bạn chưa rõ chức năng tổng thể của nó, hãy đọc bài viết chính của chúng tôi: Vang Cơ Là Gì? Toàn Tập Về Thiết Bị Xử Lý Âm Thanh Karaoke 2025.
Đây là linh kiện thường bị "xem nhẹ" nhất nhưng lại ảnh hưởng cực lớn đến độ "sạch" của âm thanh. Nhiệm vụ của khối nguồn là chuyển đổi dòng điện xoay chiều 220V thành dòng điện một chiều (DC) ổn định để nuôi các mạch xử lý tín hiệu.
Một nguồn điện "bẩn", không ổn định sẽ gây ra nhiễu nền (tiếng "xì", "ù" - noise floor) rất khó chịu khi bạn chưa mở nhạc.
Có 3 loại khối nguồn chính được sử dụng:
Nguồn Biến Áp Xuyến (Toroidal Transformer):
Nhận diện: Một khối hình tròn, bọc kín, thường rất nặng.
Phân tích: Đây là loại nguồn cao cấp nhất cho thiết bị âm thanh analog. Nó có hiệu suất cao, độ tự cảm thấp và đặc biệt là trường điện từ nhiễu tỏa ra rất thấp, không làm ảnh hưởng đến các bo mạch tín hiệu xung quanh.
Đánh giá: Một chiếc vang cơ sử dụng nguồn xuyến là dấu hiệu của một sản phẩm được đầu tư nghiêm túc về chất lượng âm thanh.
Nguồn Biến Áp Vuông (EI Transformer):
Nhận diện: Khối hình chữ E và I ghép lại, bằng các lá thép mỏng.
Phân tích: Đây là loại nguồn truyền thống, rẻ tiền và phổ biến nhất. Nhược điểm của nó là từ thông rò rỉ (nhiễu điện từ) lớn hơn nguồn xuyến, có thể ảnh hưởng đến mạch preamp nếu không được che chắn kỹ.
Đánh giá: Chấp nhận được ở phân khúc giá rẻ, nhưng không phải là tối ưu.
Nguồn Xung (Switching Power Supply):
Nhận diện: Một bo mạch điện tử nhỏ gọn, nhẹ (giống adapter laptop).
Phân tích: Rất phổ biến trong các vang cơ lai số và vang số hiện đại vì sự gọn nhẹ và hiệu suất cao. Tuy nhiên, nguồn xung hoạt động ở tần số cao, bản thân nó có thể tạo ra nhiễu "sạn" (high-frequency noise) nếu mạch lọc (filter) đầu ra không được thiết kế tốt.
Đánh giá: Một nguồn xung "xịn" có thể tốt hơn nguồn EI, nhưng một nguồn xung rẻ tiền sẽ là thảm họa cho âm thanh.
Bên cạnh biến áp, chất lượng của tụ lọc nguồn (những con tụ hình trụ lớn) cũng rất quan trọng. Tụ có điện dung càng lớn, chất lượng càng cao (ví dụ: các thương hiệu như Elna, Nichicon) thì khả năng "làm phẳng" dòng điện càng tốt, cho âm thanh tĩnh và bass sâu hơn.

Toàn bộ linh kiện vang cơ được hàn trên một bảng mạch in (PCB). Chất lượng của bo mạch này thể hiện "trình độ" của nhà sản xuất.
Đường mạch (Traces): Phải rõ ràng, đủ dày để tải dòng điện, và được bố trí hợp lý (ví dụ: tách biệt khu vực nguồn và khu vực tín hiệu analog để tránh nhiễu).
Chất lượng hàn: Mối hàn phải bóng, đều, không bị hở chân. Các vang cơ hiện đại thường dùng công nghệ hàn bề mặt (SMT) cho các linh kiện nhỏ (như chip DSP) và hàn cắm (DIP) cho các linh kiện lớn.
Bố cục: Một bo mạch tốt sẽ có bố cục rõ ràng: Khối nguồn -> Khối xử lý đầu vào (Input) -> Khối xử lý trung tâm -> Khối xuất âm (Output).

Đây là phần thú vị nhất và là điểm phân biệt rõ ràng nhất của cấu tạo bên trong của vang cơ.
Nếu mở một chiếc vang cơ đời cũ hoặc loại giá rẻ, bạn sẽ thấy một "rừng" linh kiện rời và các IC (vi mạch) nhỏ.
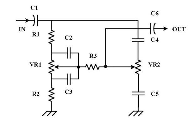
Các IC Khuếch Đại Thuật Toán (Op-amp):
Chức năng: Đây là các IC 8 chân (như JRC4558, NE5532) làm nhiệm vụ khuếch đại tín hiệu micro yếu ớt ban đầu (Pre-amp) và xử lý các mạch lọc EQ (Bass, Mid, Treble).
Chất lượng: Chất lượng của Op-amp ảnh hưởng trực tiếp đến độ chi tiết (detail) và độ méo tiếng (distortion). Các Op-amp tốt cho âm thanh trong trẻo, trong khi loại rẻ tiền làm âm thanh bị "đục".
IC Tạo Echo (Tiếng Vang):
Chức năng: "Huyền thoại" trong giới karaoke bình dân là con chip PT2399. Nó không phải là chip analog 100%, mà là một chip xử lý "lai". Nó lấy tín hiệu analog, số hóa đơn giản, lưu vào một bộ đệm (RAM) nhỏ, rồi lại chuyển về analog để tạo ra sự trễ (Delay). Bằng cách "trộn" tín hiệu trễ này ngược lại đầu vào, nó tạo ra tiếng lặp (Repeat).
Hạn chế: Vì bộ đệm quá nhỏ và thuật toán đơn giản, PT2399 chỉ có thể tạo ra Echo, không thể tạo ra Reverb (vang không gian) phức tạp.
Nếu mở một chiếc vang cơ lai số hiện đại, bạn sẽ thấy bo mạch... trống trải hơn nhiều. Thay vì hàng chục IC Op-amp và PT2399, mọi thứ được dồn vào 3 linh kiện then chốt:
1. Chip ADC (Analog-to-Digital Converter):
2. Chip DSP (Digital Signal Processor):
Chức năng: Đây chính là "bộ não" thực sự. Nó là một vi xử lý máy tính thu nhỏ, được lập trình để làm tất cả mọi việc:
Tạo hiệu ứng (Cả Echo và Reverb phức tạp).
Chống hú (Thuật toán FBX "nghe" và "cắt" tần số hú).
Xử lý EQ (Bass, Mid, Treble).
Xử lý tín hiệu đầu vào Optical/Bluetooth (vì chúng vốn là tín hiệu số).
Giải thích: Đây là lý do vang cơ lai số có thể làm những điều "thần kỳ" mà vang cơ thuần analog không thể. Mặc dù bạn vặn núm cơ bên ngoài, nhưng núm vặn đó chỉ gửi một "lệnh" đến chip DSP để nó thay đổi thông số xử lý bằng phần mềm bên trong.
3. Chip DAC (Digital-to-Analog Converter):
Chức năng: Sau khi chip DSP xử lý xong (dưới dạng số 0 và 1), tín hiệu phải được chuyển ngược lại thành tín hiệu analog (sóng âm) để đưa ra cục đẩy công suất và phát ra loa.
Chất lượng: Chất lượng của cặp đôi ADC/DAC quyết định độ "thật" của âm thanh. Chip ADC/DAC cao cấp (ví dụ của AKM, Cirrus Logic) sẽ bảo toàn được "linh hồn" của giọng hát, trong khi chip rẻ tiền làm âm thanh nghe "nhựa" và "mỏng".

Cuối cùng, cấu tạo bên trong của vang cơ còn bao gồm chất lượng của các linh kiện mà bạn tương tác hàng ngày.
Chiết Áp (Potentiometer - Núm vặn): Các chiết áp loại tốt (thường là loại bọc kín - sealed potentiometer) sẽ cho cảm giác vặn mượt, chính xác và quan trọng nhất là không bị "lẹt xẹt" (crackling noise) sau một vài năm sử dụng do bụi bẩn và oxy hóa.
Cổng Kết Nối (Connectors): Các jack cắm RCA, Canon (XLR), 6ly... phải chắc chắn, có lớp mạ tốt (mạ vàng hoặc niken dày) để đảm bảo tiếp xúc tín hiệu ổn định, tránh bị "chập chờn" hay suy hao tín hiệu.
Các chuyên trang đánh giá uy tín như WhatHiFi? luôn nhấn mạnh rằng chất lượng cấu tạo (build quality) bên trong là một trong những yếu tố hàng đầu để đánh giá một thiết bị audio, quan trọng hơn cả các tính năng bề mặt.
Qua phân tích trên, chúng ta có thể thấy rõ cấu tạo bên trong của vang cơ là một thế giới kỹ thuật phức tạp, quyết định mọi thứ. Khi đi mua hàng, đừng chỉ nhìn vào đèn LED nhấp nháy hay số lượng núm vặn.
Hãy hỏi người bán những câu hỏi "chí mạng":
"Vang cơ này dùng nguồn xuyến hay nguồn xung?"
"Nó chạy chip DSP (lai số) hay chỉ dùng IC PT2399 (thuần analog)?"
"Chip DSP là của hãng nào?" (nếu họ biết)
Hiểu rõ linh kiện giúp bạn đầu tư xứng đáng vào một thiết bị có khả năng chống hú thực sự, chất âm trong trẻo và độ bền vượt trội. Việc "mổ xẻ" các thành phần này cũng giúp chúng ta hiểu rõ hơn về cả một hành trình công nghệ.
Để xem lại toàn bộ quá trình tiến hóa từ IC analog đến chip DSP, mời bạn đọc: Lịch Sử Phát Triển Của Vang Cơ Trong Dàn Âm Thanh.
Bạn muốn sở hữu một chiếc vang cơ với linh kiện cao cấp, nguồn xuyến ổn định và chip DSP chống hú mạnh mẽ nhất 2025?
Đừng mua sắm "mù mờ". Hãy liên hệ ngay với 769 Audio. Chúng tôi cam kết tư vấn minh bạch về cấu tạo bên trong của từng sản phẩm, giúp bạn lựa chọn chính xác chiếc vang cơ có "nội thất" xứng đáng với số tiền bạn bỏ ra.